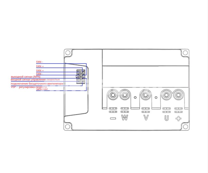
RC-U08720, компрессор кондиционера электрический 12В
spares-theme
от
К компрессору подходят коллекторы RC-U08396 и RC-U08396A
34 490
₽